Type:AC High Speed
- Model:60-200W
- 1, can be reversed, with speed, fixed speed optional
- 2, pure copper coil, stable and reliable performance
- 3, can be freely equipped with the corresponding gearbox
Detailed introduction
Technical Parameters

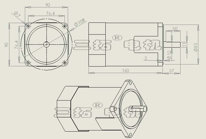
- Dimensions(unit: mm)
90W、120W size
200W size
60W size
>>> View:6-40W
