Type:AC Gear Reduction
- Model:Single phase 60-200W-jlcljsdj
- 1, can be reversed, with speed, fixed speed optional
- 2, pure copper coil, stable and reliable performance
- 3, AC380V power supply, can be customized brake mechanism
- 4, adapt to the industrial equipment motor such as barbecue,
- assembly line
Detailed introduction
Technical Parameters

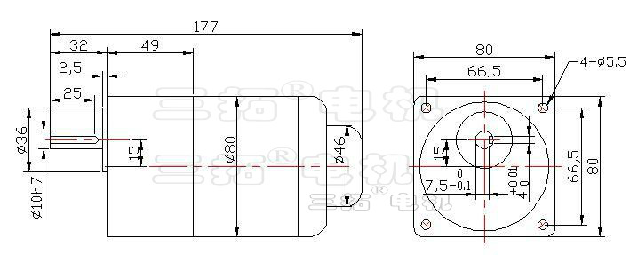
- Dimensions(unit: mm)
25W size
40W size
6W size
>>> View:60-200W
