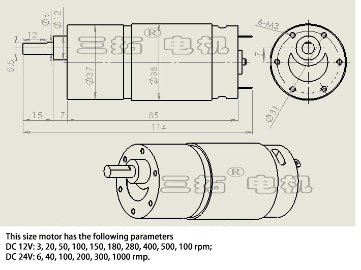
Type:DC Gear Reduction
- Model:37GB555
- 1, the output shaft is an eccentric shaft
- 2, can be reversed, support speed
- 3, applicable safes, stage lighting, vending machines, robot
- models, etc
Detailed introduction
Technical Parameters

Dimensions(unit: mm)

